Bloccastelo statico ø125
Codice: 27.166.0

Sigla: BM125

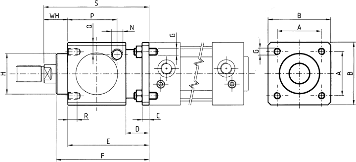
siglaper alesaggiABCDEFGHWHNPQRS
BM1251251101402045140156M126065G1/4"84.52020205