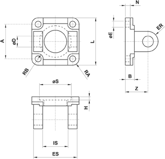
Cerniera femmina MP2 ø100 in acciaio con perno
Codice: 26.006.2AC

siglaper alesaggioLESISAZHBNSDERBERRA
26.006.2AC100115110608941-131055201192013