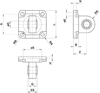
Cerniera maschio stretta ø125 in acciaio con testina snodata DIN 648 K
Codice: 26.085.2AC

siglaper alesaggioAQZDERSBELRBNHRAES
26.085.2AC12511025503040601613.5140101071537