Coppia snodo cerniera intermedia ø63-ø80
Codice: 26.097.2N

Sigla: SNINT063-080B

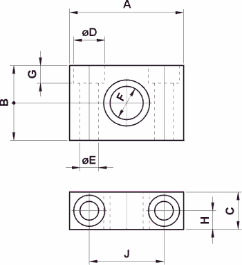
sigla*per alesaggioABCDEFGHJ
SNINT 063-080 B63-806540201711ø20121042


* La sigla si riferisce a una coppia di snodi.