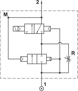
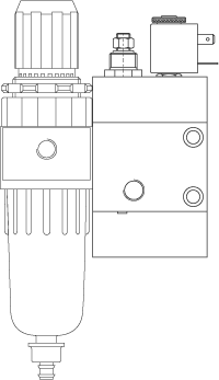
Valvola di scarico rapido e avviatore progressivo G1/4", senza bobina
Codice: 10.004.3

Sigla: AVP 2-00