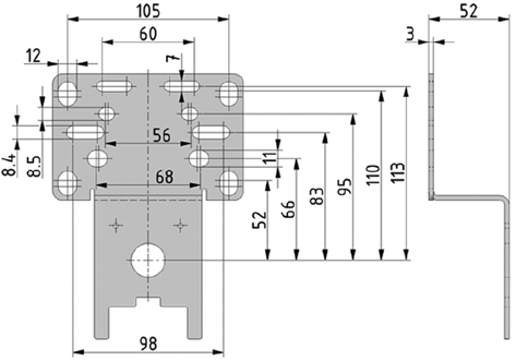
Staffa di fissaggio per gruppi filtro serie G1"
Codice: 16.375.0