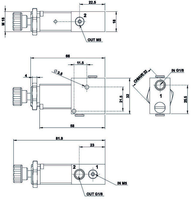
Microregolatore di pressione G1/8" M5 con by-pass 0-8 bar
Codice: 16.129.4