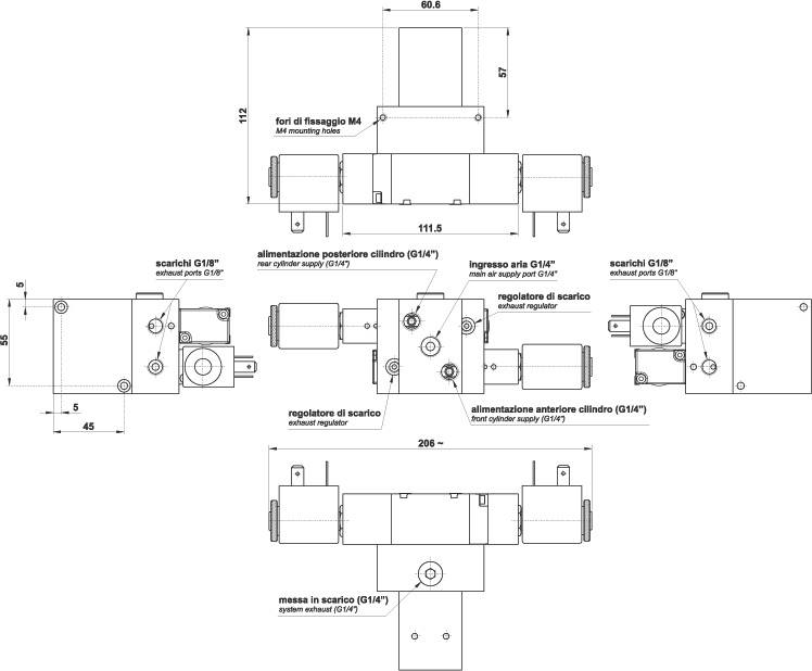
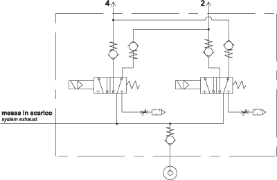
Posizionatore pneumatico senza bobine
Codice: 10.020.3