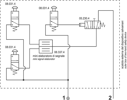
schema applicativo
simbolo logico
grafico risposta tempo-pressione
Dispositivo di comando a due mani con mini elaboratore, con valvola 3/2 di intercettazione
Codice:
08.363.4