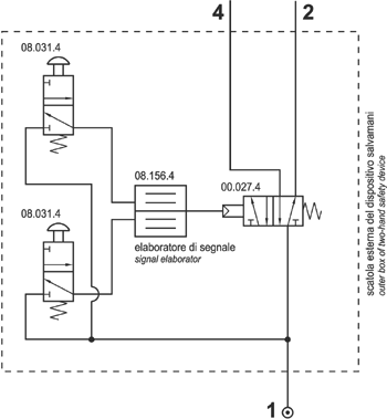
schema applicativo
simbolo logico
grafico risposta tempo-pressione
Dispositivo di comando a due mani con valvola 5/2 di portata
Codice:
08.179.4