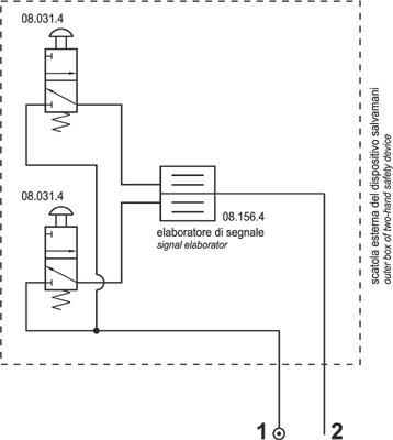
schema applicativo
simbolo logico
grafico risposta tempo-pressione
Dispositivo di comando a due mani senza valvola di portata
Codice:
08.304.4