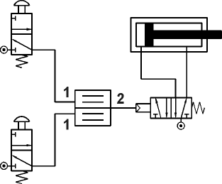
schema applicativo
simbolo logico
grafico risposta tempo-pressione
Elaboratore di segnale
Codice:
08.156.4