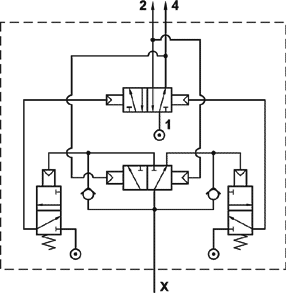
Flip/flop a comando pneumatico G1/8"
Codice: 10.080.4