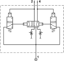
Oscillatore 5/2 1/4" con 2 NOT a ciclo continuo
Codice: 10.061.4