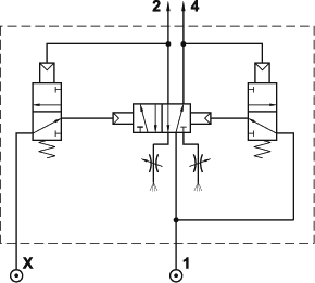
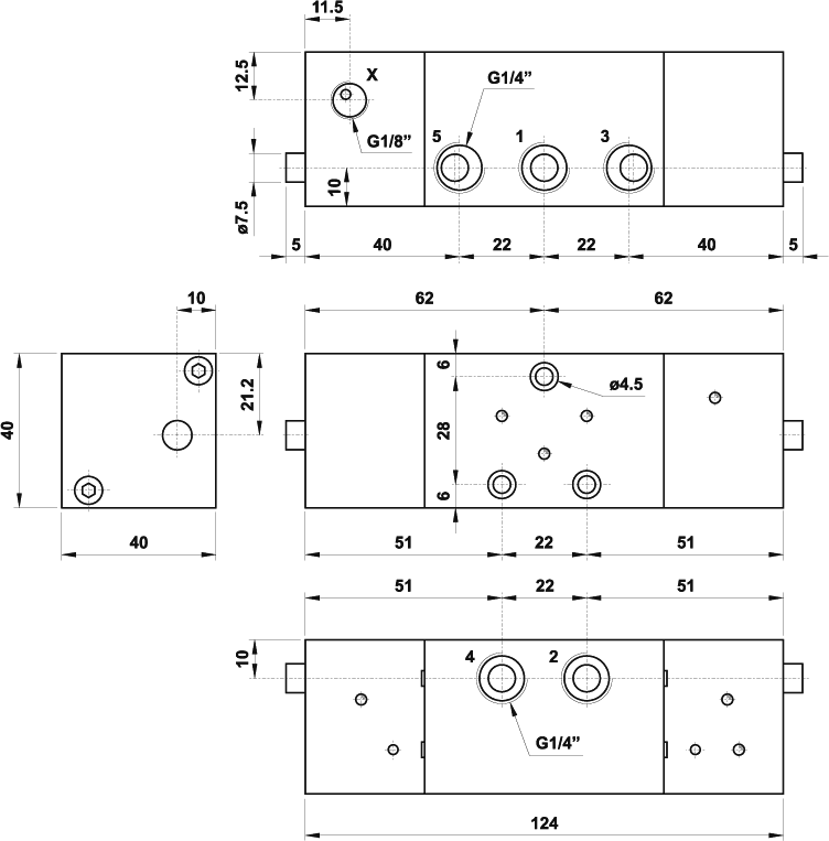
Oscillatore 5/2 1/4" con 2 NOT a comando pneumatico
Codice: 10.027.4