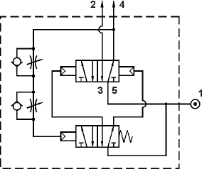
Oscillatore a ciclo continuo
Codice: 01.044.4