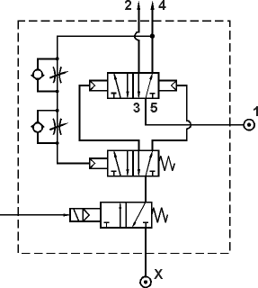
Oscillatore a comando elettrico alimentazione separata, senza bobina
Codice: 01.008.3