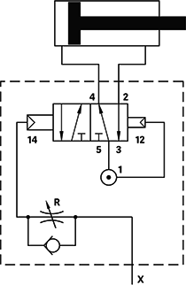
Temporizzatore ad azionamento differito
Codice: 00.177.4