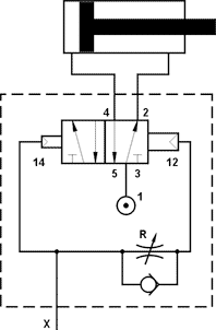
Temporizzatore di potenza
Codice: 00.074.4