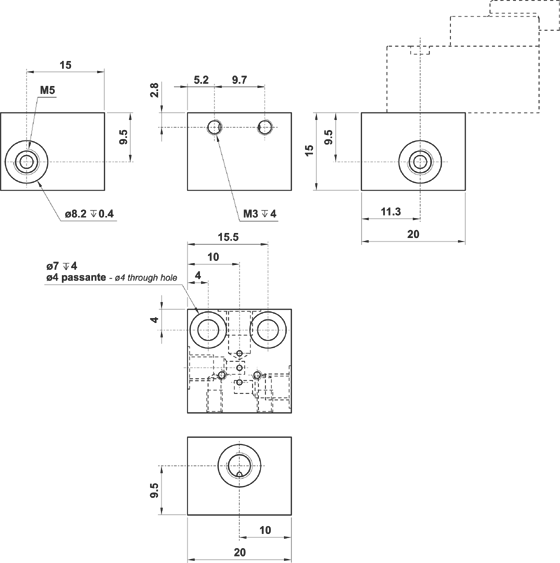
Base 1 posizione per elettropilota 10 mm elettropilota non compreso
Codice: 07.101.1

I codici qui riportati si riferiscono alla sola base. Gli elettropiloti devono essere ordinati separatamente.