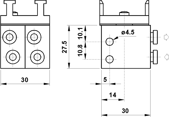
5/2, raccordi automatici per tubo ø4 laterali, interfaccia per attuatore da pannello
Codice: 08.065.4

Sigla: 504 MB UL