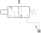
Maniglia con una microvalvola NC
Codice: 08.306.4

Maniglia con una microvalvola a otturatore 3/2 NC. La maniglia è fornita in kit semiassemblato.