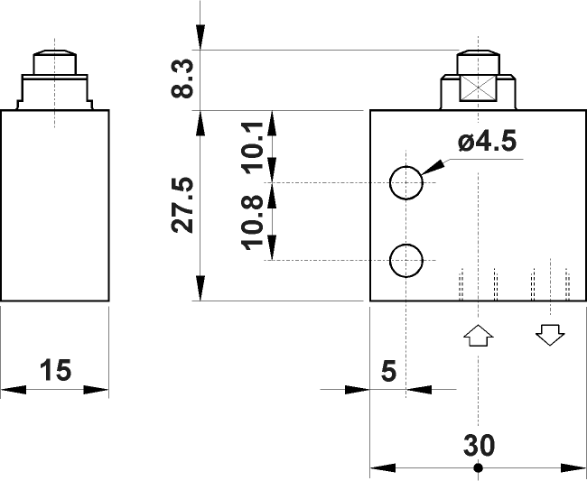
3/2 NA, attacchi filettati M5, pulsante
Codice: 08.045.4

Sigla: 315 MA