5/2 1/8" comando elettrico 24V DC, ritorno a molla
Codice: 07.001.3

Sigla: 521P ME

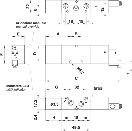
G1/8" G1/4"
A 37.25 43
B 18 22
C 124.1 143.1
D 28.8 34.3
E 22 25
F 32 40
G 31.25 32
H 21.5 23