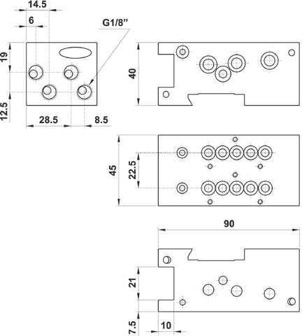
Sottobase modulare 2 posizioni 1/8" versione uscite in base
Codice: 07.103.2

Le sottobasi devono essere utilizzate per il fissaggio delle valvole. Ogni sottobase è venduta con i particolari necessari per il fissaggio e il montaggio delle valvole.