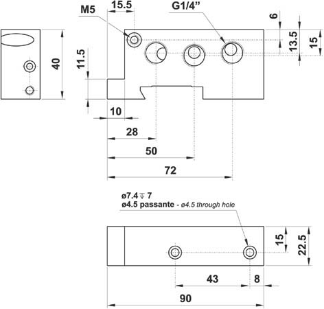
Terminale destro 1/8" versione uscite in base
Codice: 07.105.2

Per ogni batteria di valvole è necessario l'utilizzo di due terminali, uno destro e uno sinistro. Ogni terminale è venduto con i particolari necessari al suo assemblaggio.