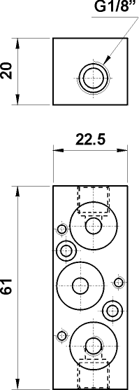
Kit adattatore scarichi separati 1/8"
Codice: 00.080.2

È venduto in kit con tutti i particolari necessari al suo assemblaggio.