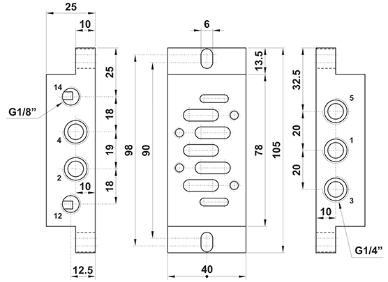
Sottobase singola per valvole ISO 1
Codice: 00.267.1

Sigla: SL1