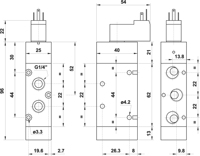
5/2 1/4" comando elettrico con elettropilota 15 mm, 24V DC
Codice: 01.097.4

Sigla: 522 ME MIC 01