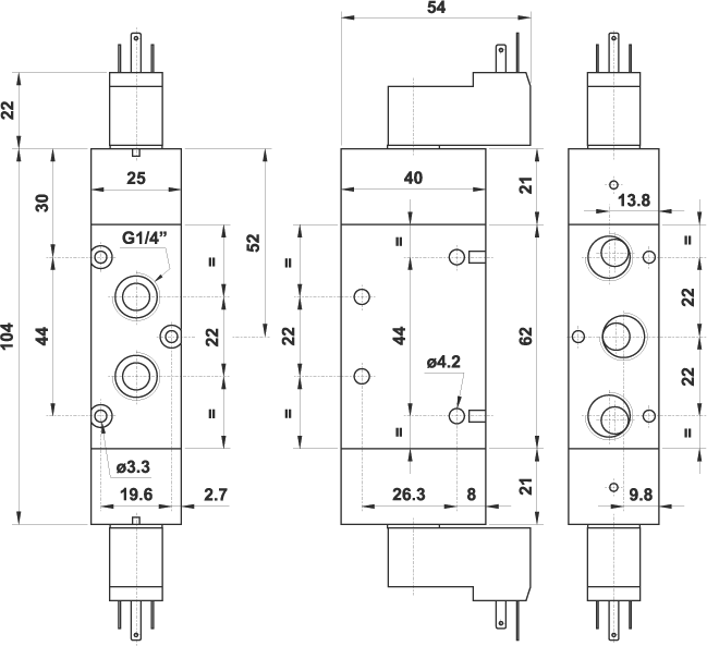
5/2 1/4" doppio comando elettrico con elettropilota 15 mm, 24V DC
Codice: 01.100.4

Sigla: 522 EE MIC 01

Solo versione in alluminio