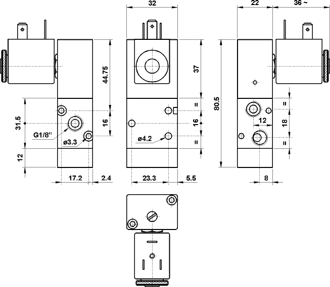
3/2 1/8" NC comando elettrico a 90° sul lato largo, ritorno a molla, senza bobina
Codice: 00.059.3

Sigla: 321 ME90 L

Non può essere utilizzata come valvola normalmente aperta.