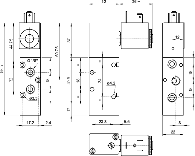
5/2 1/8" comando elettrico a 90° sul lato stretto, ritorno a molla, senza bobina
Codice: 00.007.3

Sigla: 521 ME90 S