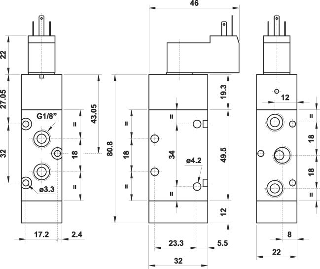
5/2 1/8" comando elettrico con elettropilota 15 mm, 24V DC
Codice: 00.188.4

Sigla: 521 ME MIC 01