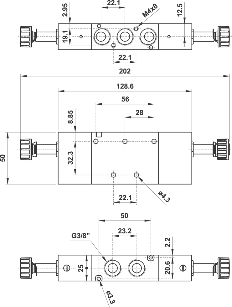
5/2 3/8" doppio comando elettrico, senza bobine
Codice: 09.002.3

Sigla: 523 EE