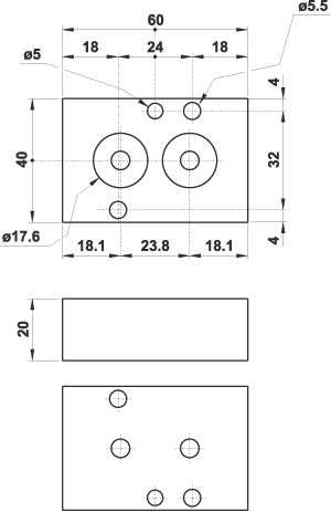
Kit piastrina montaggio bobina 30 mm su elettrovalvola NAMUR
Codice: 01.055.2