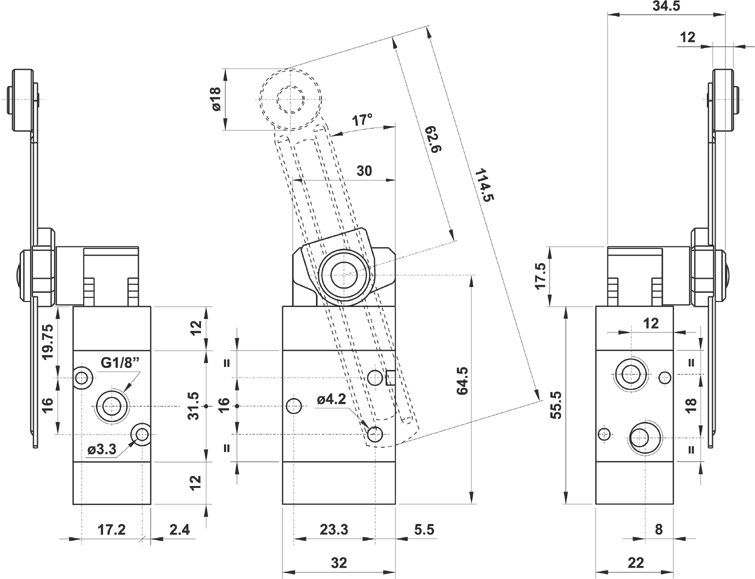
Valvola ad azionamento meccanico 3/2 1/8" leva rullo con asta regolabile, ritorno a molla
Codice: 00.280.4/G53

Sigla: 321 MYR53

La posizione e la lunghezza dell'asta può essere regolata manualmente