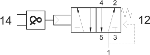
5/2 1/4" comando pneumatico con elemento AND integrato, ritorno a molla
Codice: 01.002.4

Sigla: 522 ANDM