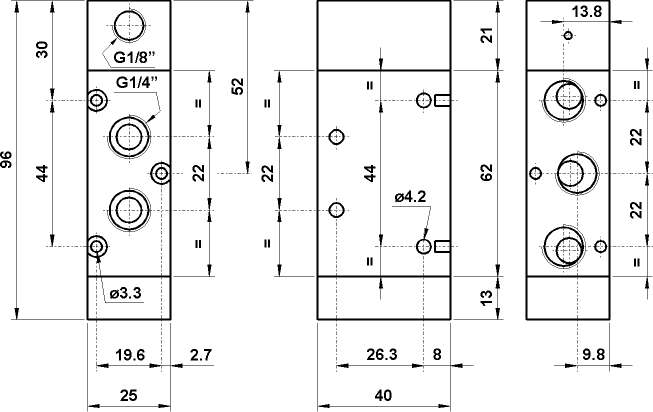
5/2 1/4" comando pneumatico, ritorno a molla
Codice: 01.027.4

Sigla: 522 MC