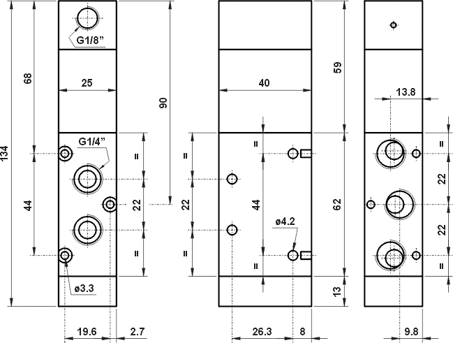
5/2 1/4" comando pneumatico, ritorno a molla, pressione minima di azionamento 0.6 bar
Codice: 01.004.4

Sigla: 522 MCS

Pressione di esercizio: min. 2.5 bar
Pressione di azionamento: min. 0.6 bar