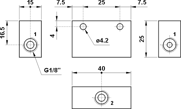
AND in linea 1/8"
Codice: 08.121.4