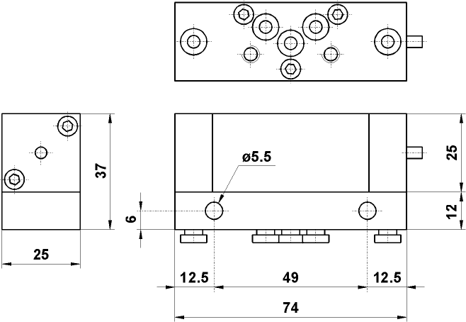
Memoria monostabile
Codice: 04.003.4

Pressione di azionamento a 6 bar: 2 bar