NOT per logica
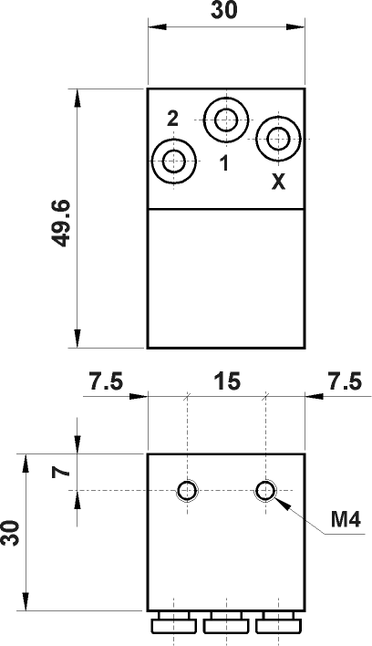
Codice: 08.039.4

Pressione di azionamento a 6 bar: 1.2 bar